製品情報
PDN-1000 可変レンズユニット
概要・特長・用途
技術仕様
一般的用途
概要 |
 |
特長 |
DN-1000レンズは交流電圧で稼動するコンデンサーを通じて、焦点距離を調節することができます。
電圧(Vrms)を変化させることで焦点が変わりますが、一定の焦点距離を保つためには、同じ電圧を維持する必要があります。
特許により完全に保護されているバリオプティックのエレクトロウェッティング技術により、 DN-1000は従来のガラスやプラスチックレンズと共に、光学産業の新しい地平線を切り開きます。 |
|
広い焦点距離の可変幅 |
|
可動部品無し |
|
電気による直接駆動 |
|
高速レスポンス |
|
高い透明度 |
|
温度変化に対する高い安定性 |
|
優れた再現精度 |
|
光軸の優れた安定性 |
|
超低電力消費 |
|
衝撃や振動に対する高い強度 |
|
 |
|
 |
用途 |
|
医療画像診断 |
|
携帯用・低消費電力
ビデオ/カメラ |
|
光学スキャナ |
|
光学技術 |
|
フォトビデオ |
|
ウェブカム |
|
軍事分野 |
|
低電力レーザーコントロール |
|

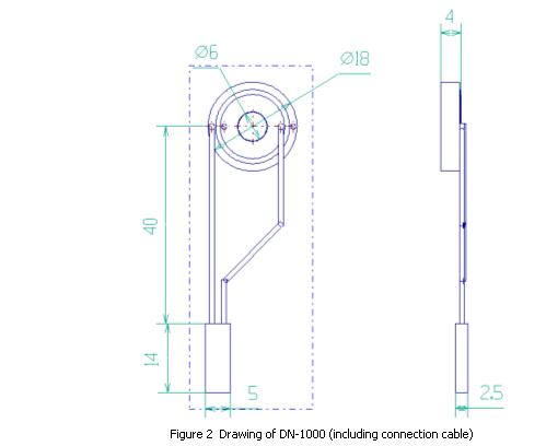
技術仕様
| |
最小 |
通常 |
最大 |
単位 |
| 口径(直径) |
|
4.5 |
|
mm |
| 駆動電圧 |
|
|
60 |
Vrms |
| 焦点距離可変幅 |
|
20 |
25 |
dioptries (m -1 ) |
| 運転振動数 |
300 |
1,000 |
30,000 |
Hz |
| サイクルタイム * |
|
1,000,000 |
|
cycles |
| 波長の歪み |
|
1 |
1.75 |
µm |
透明度 ‡
(350nm - 750nm) |
87 |
90 |
95 |
% |
| 運転温度 |
15 |
25 |
40 |
°C |
| 電力消費 |
|
1.0 |
1.5 |
mW |
| 品質係数 |
15 |
20 |
40 |
|

一般的用途
概要 |
 |
|
| DN-1000をシステムのカバーレンズとして装着するだけで、レンズにオートフォーカス機能が追加されます。 装着後も光学システム全体のMTF値には殆ど変化がありません。シミュレーション結果もあります。§ |
|
 |
 |
姉妹品情報 ** |
| |
バリオプティック・ドライブIC |
製品番号: VOIC-1000 |
| |
バリオプティック・ドライブICモジュール |
製品番号: VOIC-9000 |

* サイクルタイムとは、上表に示されたレベルを維持しつつ駆動できる回数を指します。
† レスポンスとは、電圧を変えてから目的とする屈折率の90%に達するまでの時間を指します。
‡ IRコーティングをしていない状態での測定値
§ 詳細については、バリオプティック販売部へお問い合わせください。
** 詳細については、バリオプティック販売部へお問い合わせください。

|